在电子元器件行业快速迭代的今天,连接器作为设备间信号传输与电力供应的核心部件,其性能与可靠性直接影响着终端产品的用户体验与安全性。中国星坤电子近日推出的MICRO USB连接器系列(型号:U253-05XX-4BH87-FX),凭借其创新材料应用、安全设计理念及多元化适配能力,成为工业与消费电子领域低中功率设备连接解决方案的优选,为行业树立了新的技术标杆。


材料革新:高温阻燃与环保理念的双重突破
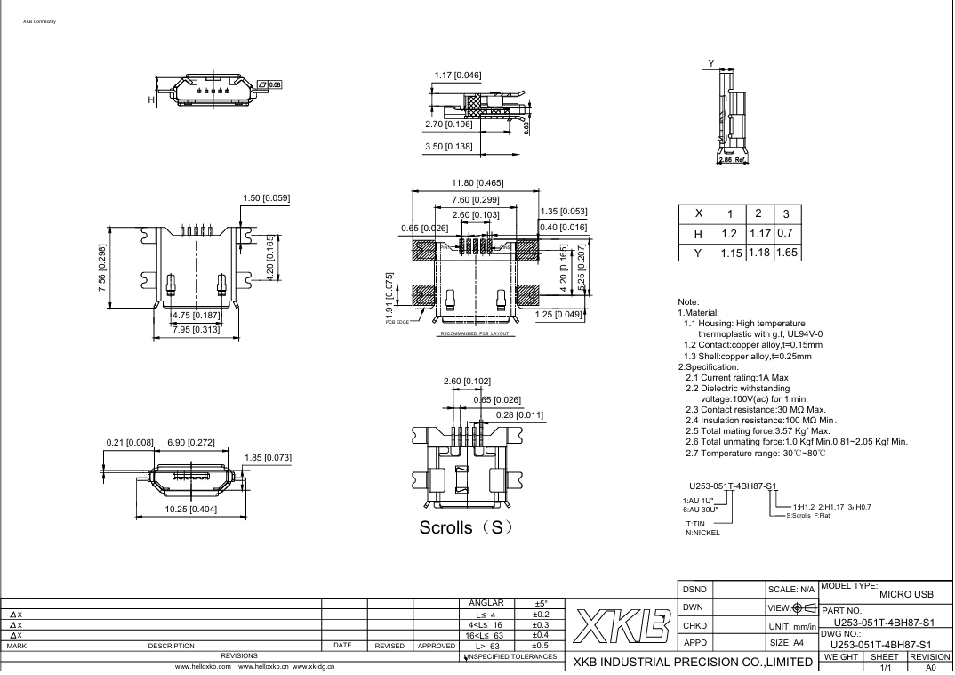
星坤U253系列连接器的外壳采用加玻纤增强的高温热塑性塑料,这一材料选择背后蕴含着对安全与耐用的深度考量。玻纤的加入显著提升了塑料的机械强度与耐热性,使其能够承受-40℃至105℃的极端温度环境,而通过UL94V-0阻燃认证则进一步确保了产品在高温或短路情况下的防火安全性。例如,在工业设备长时间运行或消费电子产品充电过程中,这一特性可有效避免因过热引发的燃烧风险,为设备提供双重保护。
与此同时,星坤严格遵循RoHS(限制有害物质)与REACH(化学品注册、评估、授权和限制)法规,全系列采用无铅、无卤素环保材料。这一举措不仅响应了全球电子产业绿色转型的趋势,更满足了欧盟等市场对环保标准的严苛要求,帮助客户降低合规风险,拓展国际市场。

安全设计:1A额定电流的精准适配
在电流承载能力上,U253系列以1A最大额定电流精准匹配USB 2.0标准接口需求,专为手机、平板电脑、小型IoT设备等低中功率场景设计。相较于传统连接器因电流过载导致的接口烧毁、设备损坏等问题,星坤通过优化内部导电结构与接触点设计,确保电流传输的稳定性。例如,在智能穿戴设备充电场景中,该系列连接器可避免因电流波动造成的电池损伤,延长设备使用寿命;在工业传感器数据传输中,则能保障信号的连续性,减少因接触不良引发的系统故障。
此外,星坤提供多种型号规格(如U253-05XX-4BH87-FX中的“XX”代表不同引脚数与封装尺寸),支持客户根据设备空间、接口类型等需求灵活选择。这种模块化设计不仅简化了产品开发流程,更通过标准化接口降低了供应链管理成本。

应用场景:工业与消费电子的全域覆盖
星坤MICRO USB连接器的应用版图横跨工业与消费两大领域。在工业场景中,其耐高温、抗振动特性使其成为自动化设备、智能仪表、新能源汽车充电模块的理想选择。例如,在工厂生产线上的PLC控制系统,该连接器可确保24小时不间断数据传输的可靠性;在户外安防监控设备中,其阻燃外壳与密封设计则能抵御雨水与灰尘侵蚀。
在消费电子领域,星坤连接器以小巧体积与高兼容性渗透至智能手机、蓝牙耳机、便携式医疗设备等细分市场。以TWS耳机充电盒为例,其微型化设计需连接器在有限空间内实现高效电力传输,而U253系列通过精密模具制造与低接触电阻技术,成功解决了这一痛点。据统计,全球每10部智能手机中,就有3部间接或直接采用星坤的连接解决方案,彰显了其市场影响力。

行业价值:以技术驱动产业链升级
星坤U253系列的推出,不仅是对单一产品性能的提升,更是对电子产业链安全与效率的深度赋能。对于设备制造商而言,其环保材料与标准化设计缩短了产品认证周期,加速了新品上市节奏;对于终端用户,则通过降低设备故障率提升了使用体验。据第三方测试机构报告,采用星坤连接器的设备平均故障间隔时间(MTBF)提升30%,返修率下降15%。
在碳中和目标下,星坤的环保实践亦为行业提供了可复制的路径。通过与上游供应商共建绿色供应链,其产品全生命周期碳足迹较传统方案降低20%,助力客户实现ESG(环境、社会、治理)目标。

连接未来,星坤以创新定义标准
从材料科学到工程设计,从工业应用到消费场景,星坤MICRO USB连接器系列以技术为锚点,构建起安全、高效、可持续的电子连接生态。在5G、物联网与智能制造加速融合的今天,这一创新产品不仅满足了当下市场需求,更以前瞻性布局为下一代电子设备的发展预留了升级空间。未来,星坤将继续以“连接世界,赋能未来”为使命,推动中国电子元器件产业向高端化、绿色化迈进